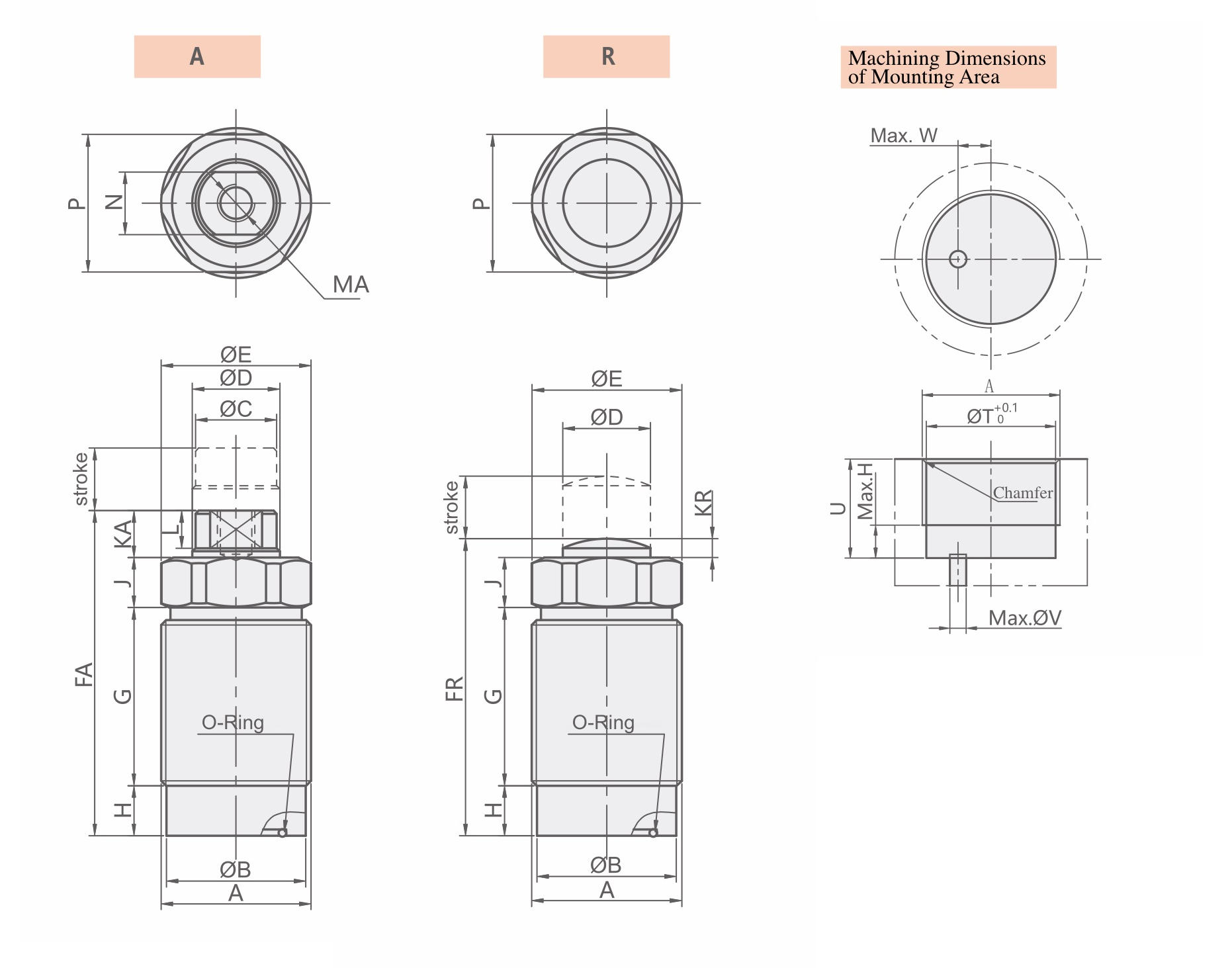
CTC-K Hydraulic Threaded - Body hydraulic clamp cylinder
Threaded-Body Hydraulic Cylinder – Screw-in Cylinder :
- Push type hydraulic cylinder with threaded body, screw-in cylinder
- These threaded cylinders are suitable for use in all types of clamping fixtures.
- The cylinders can be screwed directly into tapped holes in the fixture body up to the hexagon-section.
- space saving and easy installation at fixtures
- small dimensions, minimum spaces between the clamps when installed in a row
- oil supply through drilled oil channels in the fixture body.
- high clamping forces single acting with spring return
- Max. Operating pressure : 250 bar (kgf/cm2)
- Min. Operating pressure : 20 bar (kgf/cm2)
Note :
- Cylinders must not be loaded iin retracted position.
- Cylinders must not be used without workpiece
- Care for protection against direct influences of aggressive cutting lubricants and coolants
- supplied with leckage-proof sealing for bottom sealing of the cylinder
Ordering Indication : CTC-K024AL
| SERIES | CTC-K | |
| Size | 024, 030, 036, 045, 055 | |
| Piston rod type | A : round top type / spherical piston type B : threaded top type / rod with inner thread |
|
| Stroke | S, M, L |

