HCA Hydraulic Swing Clamp
Hydraulic Swing Clamp Cylinder :
- One of the actual highlight products !
- New generation series with important improvements : optimal design, more compact and higher holding capacity.
- Design of product structure with high anti torque, realize high durability.
- High sealing performance with improved special dust proof design and sealing.
- Inside surface of cylinder barrel is specially treated,featuring maximum smoothness, high performance and long service life.
- optional clamping arm is available
- Max. operating pressure: 70 bar (kgf/cm2)
- Min. operating pressure: 15 bar (kgf/cm2)
- double acting
Note :
- The acting speed of clamping-unclamping should be slowed down.
- For customized clamp arm, please don't exceed 1.5 times of the original length and weight.
➝ Prices and CAD files on request !
Ordering Indication : HCA-040-S-Lx90-G-M-P
| Series | HCA | |
|---|---|---|
| Größe/ Body size |
036: ΦI36 040: ΦI40 048: ΦI48 055: ΦI55 065: ΦI65 075: ΦI75 090: ΦI90 105: ΦI05 |
|
| Clamping arm type | S : Single side arm D : Double side arm |
|
| Rotating direction | R : Right turn (clockwise) L : Left turn (counter-clockwise) |
|
| Rotating angle | Standard angle : 90° (±2°) optional : 30° (±2°), 45° (±2°), 60° (±2°) |
|
| Type | Blank : Line type G : Manifold type C : Manifold with flow control |
|
| Blank : Line type (Standard) M : Manifold type N : Tube type |
||
| Precision position | Add locating pin design to improve the repeat precision of ratation angle (optional) |
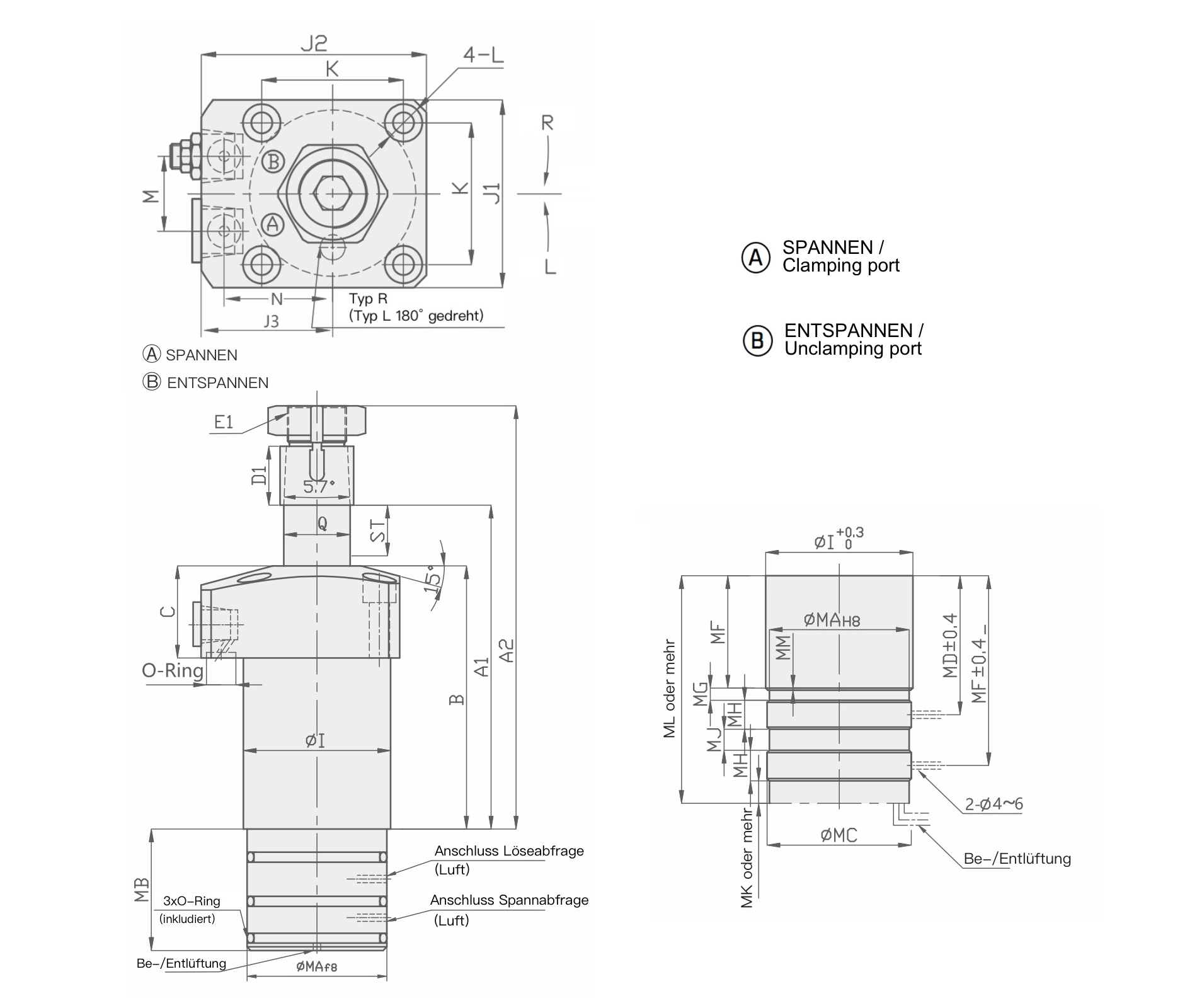
Specification - Line Type :

| Model | Clamping force at 45 bar [KN] | Swing Stroke [mm] | Clamping Stroke [mm] | Total Stroke [mm] | Oil capacity Clamp [cm3] | Oil capacity Unclamp [cm3] | eff. piston area clamp [cm2] | eff. piston area unclamp [cm2] |
|---|---|---|---|---|---|---|---|---|
| HCA-036 | 2,2 | 5,5 | 8 | 13,5 | 4,24 | 6,63 | 3,14 | 4,91 |
| HCA-040 | 3,16 | 6,5 | 8 | 14,5 | 6,55 | 10,24 | 4,52 | 7,07 |
| HCA-048 | 4,07 | 7,5 | 8 | 15,5 | 9,02 | 14,91 | 5,82 | 9,62 |
| HCA-055 | 7,70 | 8,5 | 10 | 18,5 | 20,35 | 29,42 | 11,00 | 15,91 |
| HCA-065 | 8,80 | 10 | 10 | 20 | 25,14 | 38,60 | 12,57 | 19,63 |
| HCA-075 | 14,89 | 12 | 12 | 24 | 51,00 | 74,78 | 21,27 | 31,16 |
| HCA-090 | 19,78 | 14 | 12 | 26 | 73,48 | 114,82 | 28,26 | 44,16 |
| HCA-105 | 27,89 | 16 | 16 | 32 | 127,49 | 203,50 | 39,84 | 63,59 |


| Model | HCA-036M | HCA-040M | HCA-048M | HCA-055M | HCA-065M | HCA-075M | HCA-090M | HCA-105M | |||
|---|---|---|---|---|---|---|---|---|---|---|---|
| Total stroke |
13.5 | 14.5 | 15.5 | 18.5 | 20 | 24 | 26 | 32 | |||
| Swing stroke |
5.5 | 6.5 | 7.5 | 8.5 | 10 | 12 | 14 | 16 | |||
| Clamping stroke |
8 | 8 | 8 | 10 | 10 | 12 | 12 | 16 | |||
| A1 Unclamped |
80 | 88 | 96.5 | 109.5 | 116 | 135 | 146 | 178 | |||
| A2 Unclamped |
104 | 115 | 128,5 | 145,5 | 156 | 181 | 203 | 240 | |||
| B | 64,5 | 71,5 | 79 | 89 | 94 | 109 | 120 | 144 | |||
| C | 25 | 25 | 28 | 30 | 31 | 38 | 46 | 56 | |||
| D1 | 14 | 16 | 19 | 22 | 25 | 31 | 38 | 44 | |||
| E1 | M14x1.5 | M16x1.5 | M20x1,5 | M22x1.5 | M27x1.5 | M30x1.5 | M39x1.5 | M48x1.5 | |||
| ØI | Ø36 | Ø40 | Ø48 | Ø55 | Ø65 | Ø75 | Ø90 | Ø105 | |||
| J1 | 40 | 45 | 51 | 60 | 70 | 80 | 95 | 110 | |||
| J2 | 49 | 54 | 61 | 69 | 81 | 92 | 107 | 122 | |||
| J3 | 29 | 31.5 | 35.5 | 39 | 46 | 52 | 59.5 | 67 | |||
| K | 31.4 | 34 | 40 | 47 | 55 | 63 | 75 | 88 | |||
| L | Ø4.5-Ø7.5 X5D |
Ø5.5-Ø9 X6D |
Ø5.5-Ø9 X6D |
Ø6.8-Ø11 X7D |
Ø6.8-Ø11 X7D |
Ø9-Ø14 X9D |
Ø11-Ø17 X11D |
Ø14-Ø20 X14D |
|||
| M | 16 | 18 | 22 | 24 | 30 | 32 | 37 | 45 | |||
| N | 23.5 | 26 | 30 | 33.5 | 39.5 | 45 | 52.5 | 60 | |||
| Q | Ø15 | Ø18 | Ø22 | Ø25 | Ø30 | Ø35.5 | Ø45 | Ø55 | |||
| Line type |
PT1/8 | PT1/8 | PT1/8 | PT1/8 | PT1/4 | PT1/4 | PT3/8 | PT3/8 | |||
| O-Ring | P5 | P5 | P5 | P5 | P7 | P7 | P7 | P7 | |||
| MAf8 | 34.5 | 38 | 45 | 45 | 45 | 53 | 53 | 53 | |||
| MAH8 | 34.5 | 38 | 45 | 45 | 45 | 53 | 53 | 53 | |||
| MB | 32 | 33 | 38.5 | 38.5 | 40.5 | 49 | 49 | 57.5 | |||
| MC | 35.7 | 39.2 | 46.2 | 46.2 | 46.2 | 54.2 | 54.2 | 54.2 | |||
| MD | 49.4 | 57.5 | 65.4 | 73.4 | 79.4 | 86.5 | 89.5 | 106.5 | |||
| ME | 62.4 | 70.5 | 78.9 | 86.9 | 92.9 | 106 | 109 | 126 | |||
| MF | 40 | 47 | 53 | 61 | 65 | 74 | 77 | 94 | |||
| MG | 4.9 | 6 | 7.9 | 7.9 | 9.9 | 7.5 | 7.5 | 7.5 | |||
| MH | 9 | 9 | 9 | 9 | 9 | 10 | 10 | 10 | |||
| MJ | 4 | 4 | 4.5 | 4.5 | 4.5 | 9.5 | 9.5 | 9.5 | |||
| MK | 6.5 | 6.5 | 8 | 8 | 8 | 11 | 11 | 16.5 | |||
| ML | 73.4 | 81.5 | 91.4 | 99.4 | 105.4 | 122 | 125 | 147.5 | |||
| MM | 1.1 | 1.5 | 1.5 | 1.5 | 1.5 | 1.5 | 1.5 | 1.5 | |||
| Tolerances : MAf8 -003|-006, MAH8 +004|0 | |||||||||||

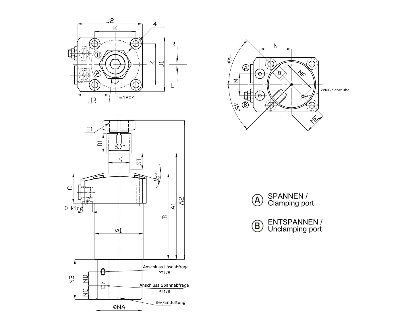
| Model | HCA-036N | HCA-040N | HCA-048N | HCA-055N | HCA-065N | HCA-075N | HCA-090N | HCA-105N |
|---|---|---|---|---|---|---|---|---|
| Total stroke |
13.5 | 14.5 | 15.5 | 18.5 | 20 | 24 | 26 | 32 |
| Swing stroke |
5.5 | 6.5 | 7.5 | 8.5 | 10 | 12 | 14 | 16 |
| Clamping stroke |
8 | 8 | 8 | 10 | 10 | 12 | 12 | 16 |
| A1 Unclamped |
80 | 88 | 96.5 | 109.5 | 116 | 135 | 146 | 178 |
| A2 Unclamped |
104 | 115 | 128,5 | 145,5 | 156 | 181 | 203 | 240 |
| B | 64,5 | 71,5 | 79 | 89 | 94 | 109 | 120 | 144 |
| C | 25 | 25 | 28 | 30 | 31 | 38 | 46 | 56 |
| D1 | 14 | 16 | 19 | 22 | 25 | 31 | 38 | 44 |
| E1 | M14x1.5 | M16x1.5 | M20x1,5 | M22x1.5 | M27x1.5 | M30x1.5 | M39x1.5 | M48x1.5 |
| ØI | Ø36 | Ø40 | Ø48 | Ø55 | Ø65 | Ø75 | Ø90 | Ø105 |
| J1 | 40 | 45 | 51 | 60 | 70 | 80 | 95 | 110 |
| J2 | 49 | 54 | 61 | 69 | 81 | 92 | 107 | 122 |
| J3 | 29 | 31.5 | 35.5 | 39 | 46 | 52 | 59.5 | 67 |
| K | 31.4 | 34 | 40 | 47 | 55 | 63 | 75 | 88 |
| L | Ø4.5-Ø7.5 X5D |
Ø5.5-Ø9 X6D |
Ø5.5-Ø9 X6D |
Ø6.8-Ø11 X7D |
Ø6.8-Ø11 X7D |
Ø9-Ø14 X9D |
Ø11-Ø17 X11D |
Ø14-Ø20 X14D |
| M | 16 | 18 | 22 | 24 | 30 | 32 | 37 | 45 |
| N | 23.5 | 26 | 30 | 33.5 | 39.5 | 45 | 52.5 | 60 |
| Q | Ø15 | Ø18 | Ø22 | Ø25 | Ø30 | Ø35.5 | Ø45 | Ø55 |
| Line type |
PT1/8 | PT1/8 | PT1/8 | PT1/8 | PT1/4 | PT1/4 | PT3/8 | PT3/8 |
| O-Ring | P5 | P5 | P5 | P5 | P7 | P7 | P7 | AP7 |
| ØNA | 35.5 | 39.5 | 45 | 45 | 45 | 53 | 53 | 53 |
| NB | 32 | 33 | 38.5 | 38.5 | 40.5 | 49 | 49 | 57.5 |
| NC | 9.8 | 9 | 11 | 11 | 11 | 13 | 13 | 17 |
| ND | 11.7 | 13 | 14.5 | 14.5 | 14.5 | 20.5 | 20.5 | 24 |
| NE | 17 | 19 | 21 | 21 | 21 | 24.5 | 24.5 | 24.5 |
| NF | 25 | 29 | 29 | 29 | 29 | 38 | 38 | 38 |
| NG | M3x0.5x5 | M3x0.5x5 | M3x0.5x5 | M3x0.5x5 | M3x0.5x5 | M4x0.7x6 | M4x0.7x6 | M4x0.7x6 |
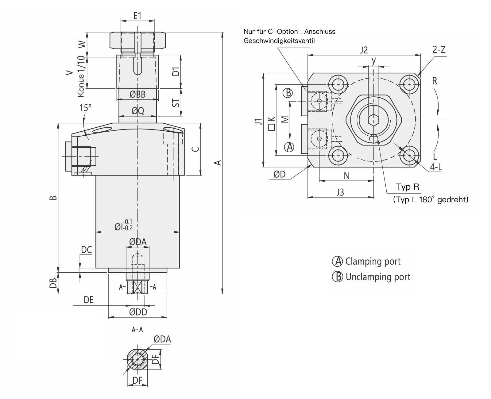
Spezifikationen Durchgehende Kolbenstange für Positionsabfrage :
| Model | Spannkraft bei 70 bar [KN] | Schwenkhub [mm] | Spannhub [mm] | Gesamthub [mm] | Ölbedarf Spannen [cm3] | Ölbedarf Entspannen [cm3] | eff. Kolbenfläche Spannen [cm2] | eff. Kolbenfläche Entspannen [cm2] |
|---|---|---|---|---|---|---|---|---|
| HCA-36-D | 2,47 | 5,5 | 8 | 13,5 | 6,48 | 6,63 | 4,78 | 3,54 |
| HCA-40-D | 3,5 | 6,5 | 8 | 14,5 | 9,29 | 7,25 | 6,41 | 5,0 |
| HCA-48-D | 4,86 | 7,5 | 8 | 15,5 | 14,27 | 10,77 | 9,21 | 6,95 |
| HCA-55-D | 7,21 | 8,5 | 10 | 18,5 | 25,27 | 19,06 | 13,66 | 10,3 |
| HCA-65-D | 9,38 | 10 | 10 | 20 | 37,76 | 26,8 | 18,88 | 13,4 |
| HCA-75-D | 14,21 | 12 | 12 | 24 | 66,34 | 48,7 | 27,64 | 20,3 |
| HCA-90-D | 20,65 | 14 | 12 | 26 | 111,28 | 76,7 | 42,8 | 29,5 |
| HCA-105-D | 28,91 | 16 | 16 | 32 | 119,87 | 132,2 | 62,46 | 41,3 |

| Model | HCA-036-D | HCA-040-D | HCA-048-D | HCA-055-D | HCA-065-D | HCA-075-D | HCA-090-D | HCA-105-D |
|---|---|---|---|---|---|---|---|---|
| Total stroke |
13.5 | 14.5 | 15.5 | 18.5 | 20 | 24 | 26 | 32 |
| Swing stroke |
5.5 | 6.5 | 7.5 | 8.5 | 10 | 12 | 14 | 16 |
| Clamping stroke |
8 | 8 | 8 | 10 | 10 | 12 | 12 | 16 |
| A1 Unclamped |
114.5 | 128 | 141.5 | 158.5 | 169 | 194 | 216 | 253 |
| B | 67 | 74,5 | 82 | 92 | 97 | 112 | 123 | 147 |
| C | 25 | 25 | 28 | 30 | 31 | 38 | 46 | 56 |
| D1 | 14 | 16 | 19 | 22 | 25 | 31 | 38 | 44 |
| W | 11 | 12 | 14 | 15 | 16 | 16 | 18 | 19 |
| V | 13 | 15 | 18 | 21 | 24 | 30 | 37 | 43 |
| ØBB | Ø17 | Ø20 | Ø25 | Ø28 | Ø34 | Ø40 | Ø49 | Ø60 |
| ØD | Ø66 | Ø73 | Ø83 | Ø88 | Ø106 | Ø116 | Ø136 | Ø152 |
| ØDA | Ø8 | Ø12 | Ø14 | Ø14 | Ø14 | Ø18 | Ø18 | Ø18 |
| DB | 8 | 10 | 10 | 10 | 10 | 10 | 10 | 10 |
| DE | M4x10 | M6x15 | M8x18 | M8x18 | M8x18 | M10x21 | M10x21 | M10x21 |
| DF | 6 | 10 | 12 | 12 | 12 | 16 | 16 | 16 |
| E1 | M14x1.5 | M16x1.5 | M20x1.5 | M22x1.5 | M27x1.5 | M30x1.5 | M39x1.5 | M48x1.5 |
| DC | 2.5 | 3 | 3 | 3 | 3 | 3 | 3 | 3 |
| ØDD | Ø25 | Ø29 | Ø36 | Ø36 | Ø43 | Ø50 | Ø65 | Ø80 |
| ØI | Ø36 | Ø40 | Ø48 | Ø55 | Ø65 | Ø75 | Ø90 | Ø105 |
| J1 | 40 | 45 | 51 | 60 | 70 | 80 | 95 | 110 |
| J2 | 49 | 54 | 61 | 69 | 81 | 92 | 107 | 122 |
| J3 | 29 | 31.5 | 35.5 | 39 | 46 | 52 | 59.5 | 67 |
| K | 31.4 | 34 | 40 | 47 | 55 | 63 | 75 | 88 |
| L | Ø4.5-Ø7.5 X5D |
Ø5.5-Ø9 X6D |
Ø5.5-Ø9 X6D |
Ø6.8-Ø11 X7D |
Ø6.8-Ø11 X7D |
Ø9-Ø14 X9D |
Ø11-Ø17 X11D |
Ø14-Ø20 X14D |
| M | 16 | 18 | 22 | 24 | 30 | 32 | 37 | 45 |
| N | 23.5 | 26 | 30 | 33.5 | 39.5 | 45 | 52.5 | 60 |
| Q | Ø15 | Ø18 | Ø22 | Ø25 | Ø30 | Ø35.5 | Ø45 | Ø55 |
| Y | 5 | 6 | 8 | 8 | 10 | 10 | 14 | 14 |
| Rohrleitungs anschluss |
PT1/8 | PT1/8 | PT1/8 | PT1/8 | PT1/4 | PT1/4 | PT3/8 | PT3/8 |
| O-Ring | P5 | P5 | P5 | P5 | P7 | P7 | P7 | P7 |
| Z (Fase) | C2 | C3 | C3 | C3 | C4 | C5 | C6 | C6 |

| Model | HCA-036 | HCA-040 | HCA-048 | HCA-055 | HCA-065 | HCA-075 | HCA-090 | HCA-105 |
|---|---|---|---|---|---|---|---|---|
| B | 14 | 16 | 19 | 22 | 25 | 31 | 38 | 44 |
| D | 10.5 | 10.5 | 12.5 | 14.5 | 16.5 | 17.5 | 17.5 | 20.5 |
| D1 | 17 | 19 | 23 | 26 | 29 | 35 | 43 | 50 |
| D2 | 25 | 32 | 40 | 45 | 50 | 58 | 75 | 90 |
| E | 17 | 20 | 25 | 28 | 34 | 40 | 49 | 60 |
| F | 15 | 17 | 21 | 23 | 29 | 33 | 42 | 51 |
| G | 8 | 9 | 11.5 | 13 | 15.5 | 18 | 22.5 | 28 |
| H | 4 | 4 | 5 | 6 | 6 | 8 | 8 | 10 |
