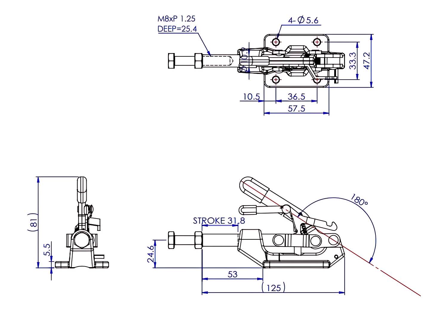
Druck- und Zugspanner mit massivem Grundkörper und Verriegelung 2720N :
- Massive Bauweise für besonders raue Spannaufgaben
- Ausführung mit waagrechter Konsole
- Hebelteile und Schubstange aus verzinktem Qualitätsstahl
- Schubstangengehäuse/Schubstangenkörper aus geschmiedetem Stahl für hohe Festigkeit
- ergonomischer Kunststoffgriff
- Schubspanner verriegelt in eingefahrener und ausgefahrener Griffposition
- Schubstange und Handgriff gleichlaufend
- Einsatz sowohl als Druck- als auch Zugspanner möglich
- max. Haltekraft 2720N
Hinweis :
- ersetzt u.a. DST 603-MR, usw...
- Preise und CAD-Daten auf Anfrage !
