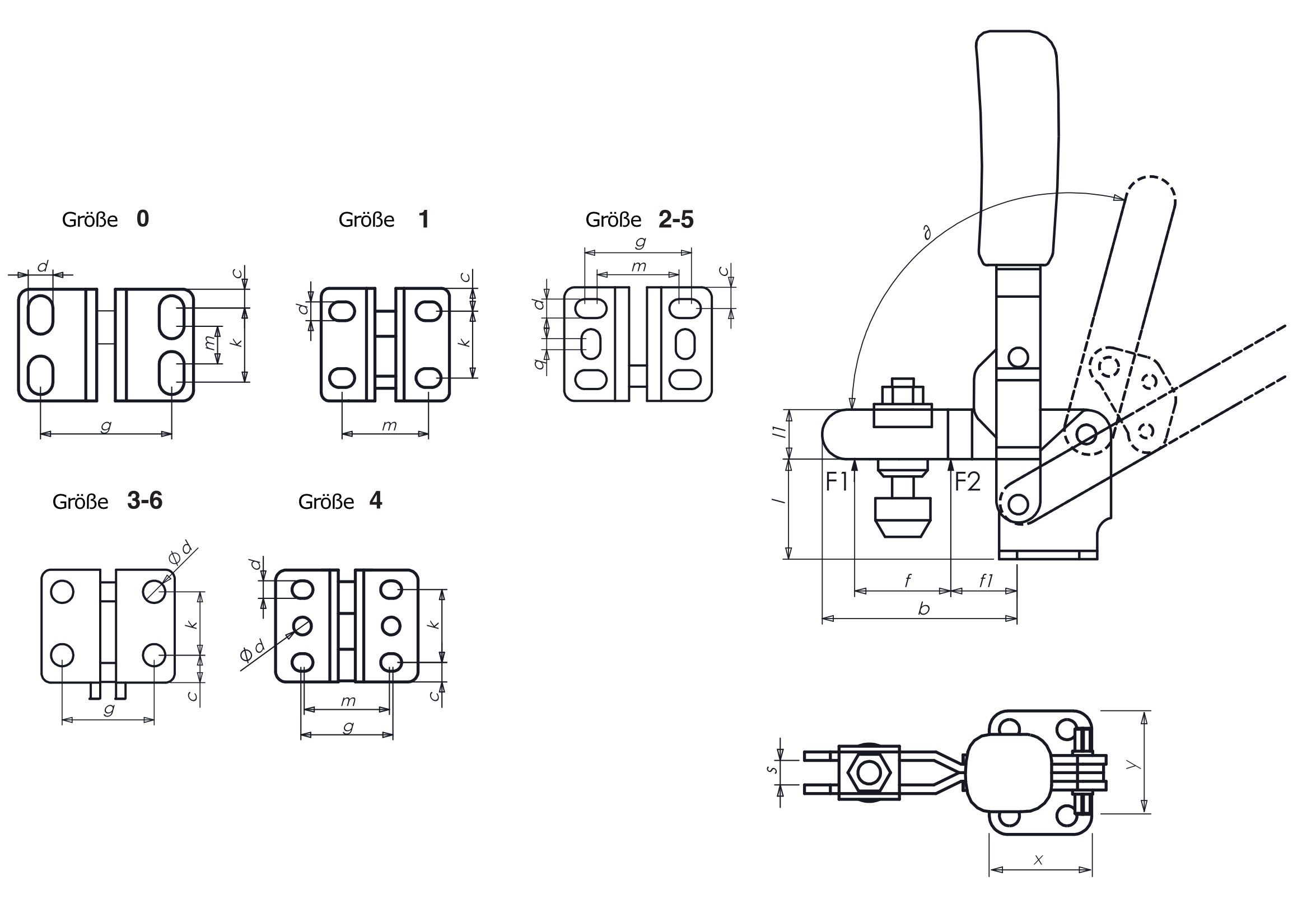
Vertikale Kniehebelspanner / Senkrechtspanner mit waagrechtem Fuß und Sicherheitsverriegelung
Senkrechtspanner M10S mit waagrechtem Fuß und offenem Haltearm sind manuelle Kniehebelspanner (auch Vertikalspanner genannt) zum schnellen Spannen von Werkstücken in Vorrichtungen. Sie werden häufig im Vorrichtungsbau, in Schweißvorrichtungen und in Montageanlagen eingesetzt. Durch den offenen Haltearm kann die Andrückschraube flexibel positioniert werden. Die integrierte Sicherheitsverriegelung verhindert ein unbeabsichtigtes Öffnen des Spanners und sorgt für zusätzliche Sicherheit im Arbeitsprozess. Dank ihres effizienten Kniehebelmechanismus erzielen sie hohe Spannkräfte bei minimalem Kraftaufwand.
Gefertigt aus hochwertigen Komponenten direkt im europäischen Raum, ist die gesamte Konstruktion auf einen wartungsfreien Dauereinsatz unter höchsten Belastungen ausgelegt.
- Qualitätsstahl verzinkt und passiviert
- verstellbarer offener Haltearm mit Verliersicherung der Andrückschraube an den Enden
- Niete aus nichtrostendem Stahl in einsatzgehärteten Buchsen
- Gefettete Lager- und Gelenkstellen
- Integrierte Sicherheitsverriegelung zur mechanischen Arretierung in Spannstellung
- Mechanik mit präventiver Funktion zur Erhöhung der Bediener-Sicherheit
- Komplett mit vergüteter, verzinkter Andrückschraube mit Mutter und Scheibe (FK 8.8)
- Hochwertiger Gummi-Druckstück bildet mit der Andrückschraube eine gesamte Einheit
- Gummi-Druckstück ist öl- und hitzebeständig
- Ölbeständiger roter Softgrip-Handgriff, robust und ergonomisch geformt
- u.a. alternatif passend zu 6800S
- CAD-Daten stehen weiter unten zum Downloaden zur Verfügung !






