Schubstangenspanner Körper phosphatiert :
- Kompakter Schubstangenspanner mit kleinem Winkelfuß und Innengewinde
- verriegelt in eingefahrener und ausgefahrener Position
- Ein Einsatz sowohl als Druck- als auch Zugspanner möglich
- Mit der beigefügten Befestigungsmutter kann der Spanner in jeder gewünschten Position zur Grundfläche montiert werden.
- Haltekraft 2500N und 4500N
- Material: Stahl verzinkt und passiviert
- Einige Teile sind brüniert/phosphatiert
- komplett mit Einstellschraube und Mutter
- ergonomischer Kunststoffgriff
Hinweise :
- kurz Lieferzeiten !
- fehlende Preise und CAD-Daten auf Anfrage.
Produktdaten & Varianten
| Bestellnummer |
Größe |
F1 | F2 | Höhe | Länge | Hub |
Schraube | Gewicht | Preis |
CAD |
PDF |
| [kN] | [kN] | [mm] | [mm] | [mm] | [mm] | [g] | [EUR] |
| DST-30250 |
3 |
2.5 |
2.5 |
85 |
138 |
32 |
SA-062010 |
385 |
auf Anfrage |
- |
- |
| DST-30450 |
5 |
4.5 |
4.5 |
115.6 |
175 |
38 |
SA103015 |
774 |
auf Anfrage |
- |
- |
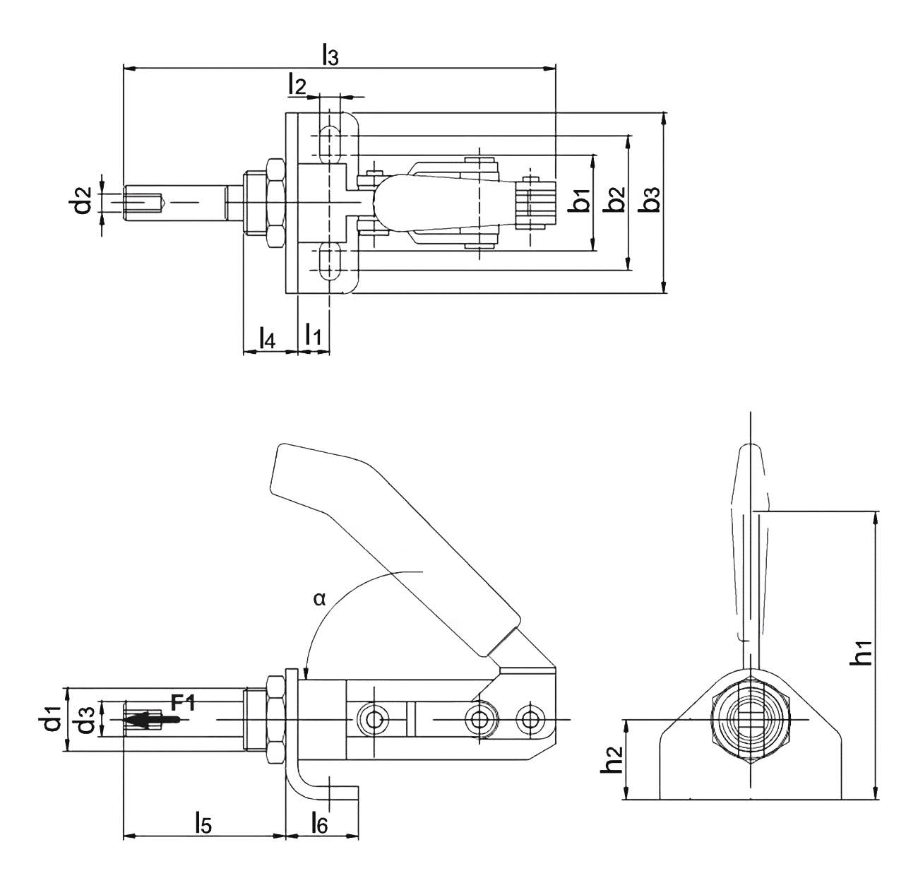
| Art.-Nr. | F [N] | Hub [mm] | α1 | l1 | b1 | b2 | l2 | b3 | h1 | h2 | l3 | l4 | l5 | l6 | d1 | d3 | d2 | Gewicht [g] | Preis |EUR] |
| DST-30250 |
2500 |
32 |
190° |
30 |
10 |
42 |
6.5 |
57 |
85 |
25 |
136 |
17 |
51 |
23 |
M20x1.5 |
11 |
M6x1 |
385 |
auf Anfrage |
| DST-30450 |
4500 |
38 |
180° |
30 |
13 |
45 |
8.5 |
64 |
120 |
30 |
16.55 |
22 |
59.5 |
30 |
M24 x 1.5 |
16 |
10x1.5 |
774 |
auf Anfrage |